设为首页
加入收藏
网站首页
公司简介
组织结构
产品中心
行业应用
品质控制
在线留言
联系我们
当前位置:
网站首页
>
产品中心
全部
FFC/FPC0.5连接器
FFC/FPC1.0系列连接器
FFC扁平电缆连接线
条型连接器
LCD连接器
压接式条型连接器
排针|排母系列
FFC/FPC1.25连接器
2.5耳机插座系列
3.5耳机插座系列
DC电源插座系列
USB|1394插座系列
卡座系列
新品展示
拨动开关系列
-请选择产品小类-
商品系列
全部
简介
介绍
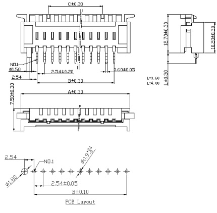
2.54S-1-nP
点击放大
产品图纸:
【返回】
版权所有:乐信电子科技有限公司 技术支持:
华企在线
电话:0755-82730801 传真:0755-83229682 邮编:518000
地址:深圳市福田区振华路122号海外装饰大厦3栋二单元505 浙江地址:浙江省乐清市虹桥镇塔桥村永丰路西1号 电子邮箱:zjy@cnlexin.com 联系人: 周先生